多功能家电保护电路图

📅 发布时间:2013-09-23 22:40 👁️ 浏览:0 🏷️ 标签: 多功能 保护电路图 家电

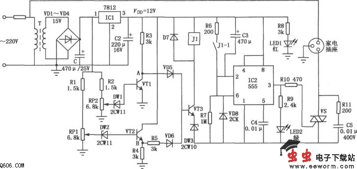
       多功能家电保护电路图电路如图所示,它由直流稳压电路、延时电路、过压欠压保护和执行电路等部分构成。ICl集成稳压电路LM7812输出 12V电压。欠压和过压的取样保护电路由R2、电位器RP2、稳压管DWl、VTl和Rl、RPl、DW2、VT2及或门电路VD5、VD6、VT3,控制继电器J1构成。

图中,VT1~VT3选用3DG4,晶闸管VS选用6A/400V,VD1~VD7选用1N4004,继电器J1选用JRC-1M 12V。


 

觉得这篇文章有帮助吗?