运放NE5532推动的OCL准互补功放电路

📅 发布时间:2013-09-23 22:05 👁️ 浏览:1 🏷️ 标签: 5532 OCL NE 运放

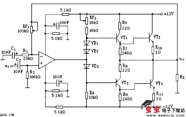
该音频功率放大电路采用一运算放大器组成驱动级,晶体三极管VT1~VT4组成复合式互补对称电路,担任功率放大。电路总增益 Au=(R1+R3)/R1,RL为扬声器。交流信号的工作过程与简单的互补对称功率放大器类似。

其中电位器RP1调节整机的增益,RP2用于调整中点电压。本电路经过简单的调试即可成功,更换不同的运放整机的音色都会随之改变,DIY的乐趣尽在其中。缺点是功率较小,可以把运放的供电提高并稳压在正负15V,后级功放管的电压提高到正负30V以上,即可满足一般家庭使用的需要。

电路原理图如下:

觉得这篇文章有帮助吗?