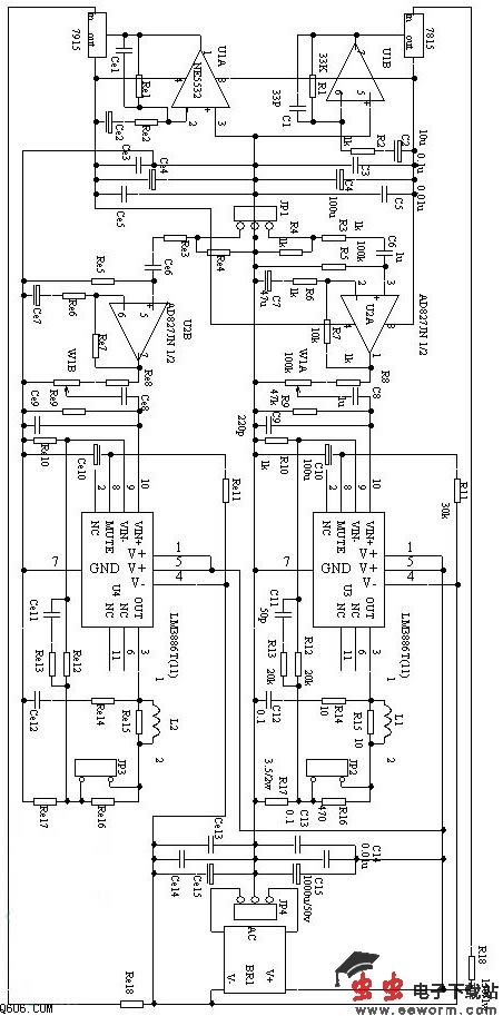
LM3886TF是美国NS公司推出的新型的大功率音频放大集成电路,其后面的TF为全绝缘封装,和 LM1875T相比,它的功率较大,在额定工作电压下最大可达68W的连续不失真平均功率,同样具有比较完善的过压过流过热保护功能, 最可贵的是它具有自动抗开关机时的电流冲击的功能,使扬声器能够安全的工作。 LM3886优异的性能,使得它在近几年音响制作中广泛的应用,许多成品功放机中就有直接的应用它担任后级功放或者用它作为重低音放大电路。采用了美国NS公司(国家半导体公司)推出的新型高保真音响功放集成电路LM3886TF作功率放大,用运放NE5532或AD827作前置线性放大和音调放大。其特点有:输出功率大(连续输出功率68W)、失真度小(总失真加噪声<003%)、保护功能(包括过压保护、过热保护、电流限制、温度限制、开关电源时的扬声器冲击保护、静噪功能)齐全,外围元件少,制作调试容易,工作稳定可靠。由于用它制作功率放大电路具有简易,适用的特点,特别适合于烧友以及电子爱好者的制作。
LM3886TF的电气参数如下:
LM3886在VCC=VEE=28V、 4欧负载时能达到68W的连续平均功率,在VCC=VEE=35V,8欧负载时能达到50W的平均功率。具有较宽的电源电压范围VCC+VEE为20V-94V;
总谐波失真+噪声:60W 20Hz<f<20kHz AV=26dB 时的值为 0.03%
转换速率(SLEW RATE):VIN=2.0VP-P、tRISE=2ns 时的值为 19V/us
总静态电流:50mA
输入偏流: 0.2uA
增益带宽乘积: 8 MHZ
在谈及功放的放音品质时,元器件的选取,电路的设计很重要,但是还有一个很重要的,就是电路板的设计,PCB布线不合理,再好的电路和最发烧级的元件也无济无事,对音响爱好者来说,交流噪声和声道的串音都是不能接受的,在设计本站的第一款出台的LM3886功放前,笔者曾参考研究过一些国内外的音响功放电路板,最简单的资料来源一些著名的半导体生产厂商的推荐应用电路的PCB图,力求达到将功放板的音量开到最大,将耳朵贴近音箱,没有交流哼声的效果,并且将声道间的串挠减到最小。

电路采用前后级合并一体化设计,大电流部分如电源和输出回路的铜泊宽度加宽,并且预留焊盘,以便加厚焊锡来减少铜铂的电阻,元件排列比以前做的样板较为合理和紧凑,考虑到后级扬声器的安全,增加了比较稳定可靠的扬声器保护功能并用质量好点的继电器用日本的OMRON RELAY来担任。应该说现在完成的LM3886的功放板是一块功能完善,布线合理的板子,只要元件选取恰当,用它来作家用音响的改造,相信会达到令人满意的效果。在布线时需要合理的接地,实行前后独立走线,左右声道功放IC的接地分开后,星形接地,本板在设计时为前后级合并,但是在布线时已经充分的考虑到前后级的分离,细心的烧友可以观察到PCB板的前级和大电流的功放后级之间已经被几条分开的地线隔开,这样基本上电磁干绕的现象被视为减到最小。这在试听中可以得到验证。从而最大限度的发挥LM3886的优异性能。
试听:
组装好样板后,仔细检查电路无误后,连接好电源、信号线和扬声器的接头(注意它的极性不要搞错)器材为普通品,音源为先科VCD,音箱为自制,首先还是不播放音乐,通电后将音量电位器开大,用耳朵贴近音箱,结果是没有交流声,丝丝(集成电路本身噪声)噪声极小,稍远些就根本听不到,说明本电路的布线达到设计合理,大电流后级和前级分开走线的以及点接地的措施,有效的减少了前后级的串挠,接下来激动人心的时刻到了,播放音乐,感觉给人一种耳目一新,和以前NE5532运放之皇代换TL082一样,高速运放AD827的优异性能和LM3886的优势发挥尽致,人声的唇齿气息清晰可闻,空气感非常的逼真,高低频的延伸更优秀于NE5532,个人认为这是因为两块集成块的转换速率都很高,两个结合在一起的好处自然是不用多说了。