⭐ 欢迎来到虫虫下载站!
|
📦 资源下载
📁 资源专辑
ℹ️ 关于我们
⭐ 虫虫下载站
🔐
登录
📝
注册
虫虫下载站
专业电子工程师资源平台
📤 上传资源
🏠 首页
📦 资源下载
📁 资源专辑
🔧 热门软件
⭐ 精品资源
🎓 基础知识
📐 电路图
📚 电子书
🔢 在线计算器
🔍 代码搜索
🏠 首页
›
电路图
›
基础电路
›
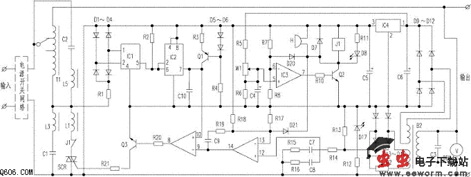
10KW交流稳压电源电路
10KW交流稳压电源电路
📅 发布时间:
2013-09-23 21:20
👁️ 浏览:
9
🏷️ 标签:
10
KW
交流稳压
电源电路
该电源采用较先进的正弦能量分配技术,集稳压与抗干扰功能于一体,具有体积小、重量轻、噪声小、效率高、可靠性高、能长期连续工作、适应各种性质的负载(阻性、感性、容性)等优点,并能有效地抑制电网各种干扰和尖峰电压。性能优于614型交流稳压电源,是目前交流稳压电源产品中的优选机种,广泛为中小型计算机等现代化电子设备配套使用。
其采用了先进的电源调节技术的正弦能量分配程式。其主电路由正弦能量分配器和大功率的滤波器并联构成。当输入电压变化或负载变化时,分配器以半个周期的正弦波电流形式将能量按需要精确地输入到电抗器,用于调整输入电压的升降。所以,电抗器的输出是相对零线受良好调整的正弦波,波形畸变小。
因正弦能量分配器对输入电压的变化和输出负载的变化都能灵敏的反应,所以它的响应速度相当快。
觉得这篇文章有帮助吗?
👍 来顶一下 (
36
)
🔐 用户登录
×
加载中...
加载登录表单中...
🎁
免费注册送10积分
×
加载中...
加载注册表单中...
🔑 找回密码
×
加载中...
加载表单中...
🔐
需要登录
×
🔒
登录后即可使用!
🎁
新用户注册立即送10积分
积分可用于下载资源,免费获取优质技术资料
🚪
退出登录
×
👋
确认要退出登录吗?
退出后需要重新登录才能下载资源