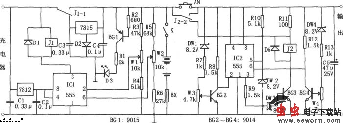
稳压充电回路的蓄电池保护电路包括充电保护和放电保护两部分。
充电保护电路主要由IC1(555)、7812、7815等组成。其中7812供给IC1稳定的 12V电压。刚充电时,触点J1-1闭合,对蓄电池进行充电。当充至 15V时,IC1因②、⑥脚为高电平而发生复位,③脚输出的低电平使J1吸合,蓄电池通过断开触点J1-1、7815进行放电。当蓄电池端电压随放电降低且降至13.2V时,IC1因②脚电位低于l/3VDD=4V而发生置位,③脚输出的高电平使J1释放,电池又通过闭合触点J1-1充电。
放电保护电路由IC2(555)和BG2、BG3、BG4等组成。当蓄电池放电至10.5V时,经稳压管DW1、DW4稳压后使BG2、BG4截止,IC2因②、⑥脚为高电平而发生复位,③脚输出的低电平使BG3截止,继电器J2释放,触点J2-2断开(向下),实现放电保护。当电池电压大于11.5V时,IC2置位,BG3导通,J2吸合,负载才得电工作。
当负载发生短路时,IC2因④脚为低电平而被强制复位,J2释放,实现短路保护。

觉得这篇文章有帮助吗?