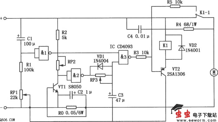
大功率电机过流保护电路如图所示,Ro为电流取样电阻。为了防止电机在启动时产生的大电流造成电路的误动作,由Cl、Rl、RPl及与非门l组成了开机保护延时电路。电机开始启动时,Cl上无电压,此时与非门1输出低电平,与非门3则输出高电平,使VT2处于截止状态,继电器Kl不工作,其触点仍保持常闭状态,直流电机可获得正常供电。当Cl的端电压逐渐升高到一定值时,与非门1发生翻转,输出端变为高电平,开机保护启动电路结束工作,此后与非门3的输出状态则由RP2、R2、VTl及Ro等组成的电流检测电路控制。

觉得这篇文章有帮助吗?