手机随身应急充电器,可在无市电供电场合,对断电手机进行应急充电,确保手机信息连续、畅通无阻。该充电器的特点是采用一块进口PWM开关电源芯片lM3578作DC/DC升压,输入电压可低至2V,输出电流可达200mA以上,使用2节5号充电电池即能满意工作。
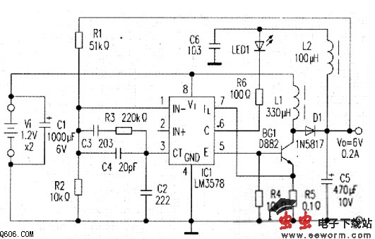
工作原理:手机随身应急充电器电路。如附图所示。所用核心器件IC1为单片PWM开关控制器,内部包含振荡器、基准电压、误差放大和驱动三极管等四大功能。外部电路连接电容C1—C6、电阻R1~R6、电感L1和L2.还有功率开关BG1等组成DC/DC升压电路,其中IC1③脚接C2决定振荡频率约50kHz。C3、R3和C4有利开关工作在连接状态。驱动管的集电极(⑥脚)通过R6与LED1与输出电压相连。以增加驱动能力,但必须加入L2和C6防止输出与输入引起寄生振荡而且发射极(⑤脚)接功率开关BG1,加入取样电阻R5并连接到IC1的⑦脚,以控制最大工作电流。电路工作过程如下:工作电压Vi接通,开关控制器IC1开始工作,输出的方波信号经BG1放大流经储能电感L1,BG1导通时,L1储能;BG1截止时,L1通过升压二极管D1释放电能,于是在电容C5上获得数倍于Vi的升压电压。该电压一路经电阻R1与R2取样送入误差放大器反相端即①脚,使输出电压保持稳定;另一路送入IC1内部驱动管的集电极即⑥脚,以增加BG1的注入电流,其中LED1为充电指示。

元器件选择:IC1型号为LM3578,双列直插,市场上有货。BG1型号D882,TO-126封装,选用β大于100的管子。L1市场有供应。若自制L1,取φ12mm高频磁环,用φ0.15色线穿绕约60T,可由电感仪测量一下约为330μH左右,另一个电感L2为色码电感,市场上很便宜。电容除了C6为磁片电容之外,其余的为CBB型,电阻无特殊要求。D1为升压二极管,采用肖特基二极管,型号为lN5817-5822均可,其正向压降VF=0.2V。
使用:装配完成以后,可接入2节5号充电电池,容量大于1600mAh即可正常工作。输出端可装上手机相配套的专用电源插头,可从旧充电器上拆下。直接与手机相连。充电时,LED1闪烁发光,表示正在充电。