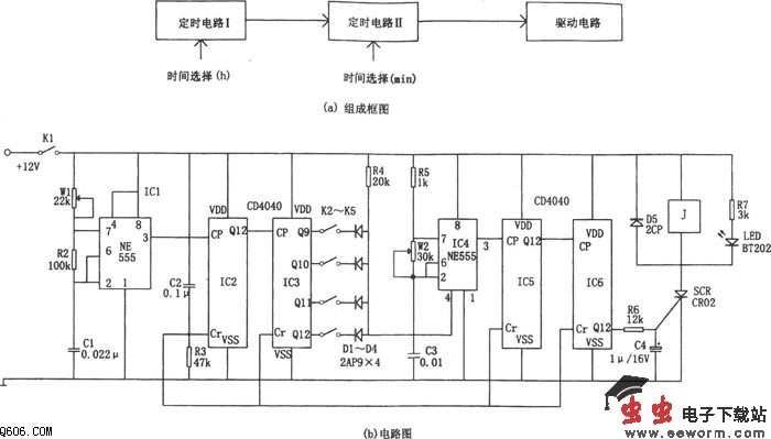
0~16小时无级定时控制电路。该控制器由两级定时器和驱动器组成。由IC1(555)和两块l2位二进制计数/分频器IC2、IC3(CD4040)组成定时电路l,产生0、1、2……14、15小时共16个分挡的可调时间信号。其中由IC1(555)和W1、R2、C1组成的多谐振荡器的振荡周期为Tl=0.693(Rw1+2R2)C1。图示参数对应的周期约为34秒。该振荡信号经IC2、IC3分频后,在IC3的Q12、Q11、Q10、Q9端得到8、4、2、1小时的状态信号,利用K2~K5开关的组合,可得到0、1、2……14、15小时共16个时间信号。
由IC4(555)和两块12位二进制计数/分频器IC5、IC6(CD4040)组成定时电路Ⅱ,其受定时电路I的控制,即定时电路I通过控制IC4的复位端④脚来控制定时器Ⅱ,且定时器I可产生0~60分钟连续可调的时间信号。其中由IC4(555)和R5、W2、C3组成的多谐振荡器的振荡周期为T=0.693(2Rw2+R5)C3,调节W2可使T2在0~4290秒范围内变化。经IC5、IC6分频后,在IC6的Q12端的定时范围为0~60分钟。
该控制器总的定时时间为:定时I(小时)+定时Ⅱ(分钟)。当到达预置定时后,IC3的相应输出Q端均转为高电平,IC6的Q12也转为高电平,使可控硅SCR导通,继电器J吸合,LED发光。电路中C2、R3用于开机时的自动清零。

觉得这篇文章有帮助吗?