本例介绍无线遥控开关,具有动作可靠、简单实用等特点,能在6m范围遥控6路家庭用电设备。
该无线遥控开关电路由无线发射电路和无线接收控制电路组成。
无线发射电路由编码集成电路IC1、控制按钮S1~S6、晶体管V1、电阻器R1、R2、电感器L1、L2、电容器C1~C5和电池GB组成,如图所示。
无线发射电路
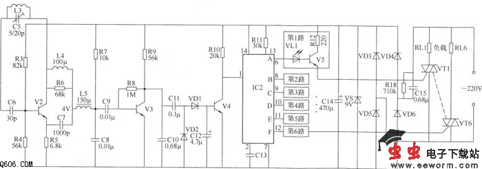
无线接收控制电路由超再生检波电路、放大电路、触发电路、解码电路、控制执行电路和电源电路组成,如图所示。

元器件选择
R1~Rl8选用1/4W碳膜电阻器或金属膜电阻器。
C1、C8~C11和C13均选用独石电容器;C2、C3、C6和C7均选用高频瓷介电容器;C4和C5均选用瓷介微调电容器;C12和C14均选用耐压值为16V的铝电解电容器。
VD1和VD2均选用1N4148型硅开关二极管;VD3~VD6均选用1N4007型硅整流二极管。
VS选用1W、9V的硅稳压二极管。
VL1~VL6均选用φ3mm的高亮度发光二极管。
V1和V2选用S9018或3DG9018型硅NPN型高频晶体管;V3和V4选用S9014或3DG9014型硅NPN晶体管;V5~V10均选用S9013型硅NPN晶体管。
VT1~VT6均选用TLC336A(3A、600V)型双向晶闸管。
IC1选用LC219型编码集成电路;IC2选用LC220A型解码集成电路。
L1和L3用φ1mm的漆包线制成环形或矩形天线(也可直接制作在印制线路板上);L2用φ0.51mm的漆包线在φ3mm的圆柱体上绕25匝后脱胎而成;L4和L5均选用TDK色码电感器。