利用电话线及该装置可实现远程电话遥控。它不仅结构简单,工作稳定,最大的特点是它不会产生摘机信号,这意味着使用者不会因此而顾虑电话费。这对于利用手机遥控、公用电话或长途电话遥控更显得实用方便。该装置与电话线路完全隔离,不会对原电话系统及程控线路产生任何影响。以下简单介绍该装置的工作原理及制作方法。
工作原理:
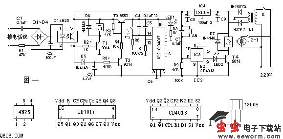
工作原理如图一所示。由C1、R1、C2、D1~D4及IC1 (4N25) 构成振铃电流检测。当外线有电话进来时,振铃交流信号经C1、R1、降压及D1~D4的整流、C2滤波使IC1内的发光二极管开始工作,光敏三极管随之导通。IC1的4脚呈现高电位,通过D5迅速给C3充电,使T2、T3导通,LED1点亮指示有电话进来。同时IC2(CD4017)得电, 由C5、R7构成上电复位电路,使IC2清零,Q0输出高电平。与此同时、IC1的4脚高电位通过R2使T1导通,继电器J1吸合,J1-1闭合,给IC2的14脚一个正脉冲。由于IC2的13脚接地,IC2处于计数状态。这时随着周期性的振铃信号(约1.5秒),IC2开始计数。在振铃的间隙时间(约5秒),由于IC1的4脚高电位消失,为了维持IC2的电源,C3通过R3放电使T2、T3继续导通。维持时间设计为6~7秒,略大于振铃的间隙时间。从而保正IC2的正常工作。此时间设置不能太长,以免先后有电话进来造成误控。随着振铃信号的陆续到来,C3再次被充电,同时J1-1也吸合一次,使IC2的输出端(Q0~Q9)随着振铃信号依次输出高电平,从而实现振铃信号的检测。C4是为防止J1-1触点工作时产生的干扰。这里在处理振铃信号的计数时没有将IC1的4脚直接与IC2的14脚相联。
因为在实验中发现由于振铃信号为周期性的交流信号,如果采用上述接法,时常造成IC2计数紊乱,工作极不稳定。这里利用手头上空闲的微型继电器彻底隔离了这种脉冲干扰,使得工作非常稳定,计数准确。

在第8次振铃信号到来时,IC2的6脚产生一个高电平,触发由IC3(1/2CD4013)构成的双稳态触发器,Q端输出高电平,LED2点亮,T4导通,J2吸合,接通被控负载。同样,在下一个脉冲周期到来时,J2断开,切断负载电源。从而实现了遥控开、关控制。AN为复位控制,按下时,Q输出低电平,J2断开。如果在第8次振铃此之前,对方挂机或被叫电话摘机,此时振铃信号消失,IC1不再工作,IC2也停止计数,约6~7秒后,由于C3放电电流不能维T2、T3导通,IC2断电进入待机状态 。这里,产生响应的次数可已根据自己需要设定,但不宜太少,以免其他人打电话造成误控 。
由K、B1、C8、C9、IC4等构成电源部分,提供6V稳压电源。
由以上分析可知,如果不考虑后级执行回路,该装置静态时机乎不耗电,只在有振铃信号时稍有电流消耗,这样我们也可考虑采用电池供电,利用无线收,发模块实现远程控制,可以避免实际应用有时受电话线的限制,使其更具有实用价值。
制作及调试:
元器件的选择及各IC的脚位分布请参考图一所示。J1可采用各类电压合适的微型继电器。J2触点容量的选择由所控负载决定。考虑到IC的4、5脚能提供的充电电流有限,为保证T1及T2的充分导通,T1、T2可选择放大倍数稍高的NPN管(b>200)。IC3的另外一半如无其他用途,可将其输入端(即S、D、CP、R端)全部接地,输出端悬空即可。AN为普通常开按钮。其它无特许要求。
调试时应注意调整R2、R3、C3的参数,原则是保证J1可靠吸合及断开,不能有抖动,同时要保证T3在振铃间隔时间恰好能维持对IC2的供电为最佳。如发现IC1不工作,可将IC1的1、2脚对换即可。