⭐ 欢迎来到虫虫下载站!
|
📦 资源下载
📁 资源专辑
ℹ️ 关于我们
⭐ 虫虫下载站
🔐
登录
📝
注册
虫虫下载站
专业电子工程师资源平台
📤 上传资源
🏠 首页
📦 资源下载
📁 资源专辑
🔧 热门软件
⭐ 精品资源
🎓 基础知识
📐 电路图
📚 电子书
🔢 在线计算器
🔍 代码搜索
🏠 首页
›
电路图
›
基础电路
›
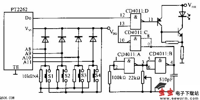
PT2262通用红外遥控40HZ载波信号发生电路
PT2262通用红外遥控40HZ载波信号发生电路
📅 发布时间:
2013-09-23 16:10
👁️ 浏览:
9
🏷️ 标签:
2262
PT
40
HZ
通用红外遥控电路40KHz载波信号产生电路PT2262用作红外发射器的电路,当S1~S4任意一个或几个按下时,PT2262加电电工作,开始输出脉冲数据流。同时,由CD4011:CD4011:B组成脉冲振荡器也开始振荡,振荡频率可由22Ω电位器精确调整为40KHz,此频率即为红外载波频率。PT2262输出的脉冲数据流在CD4011:D对40KHz载波进行调制,然后经三极管驱动红外发光二极管发射出红外光信号。
觉得这篇文章有帮助吗?
👍 来顶一下 (
85
)
🔐 用户登录
×
加载中...
加载登录表单中...
🎁
免费注册送10积分
×
加载中...
加载注册表单中...
🔑 找回密码
×
加载中...
加载表单中...
🔐
需要登录
×
🔒
登录后即可使用!
🎁
新用户注册立即送10积分
积分可用于下载资源,免费获取优质技术资料
🚪
退出登录
×
👋
确认要退出登录吗?
退出后需要重新登录才能下载资源