⭐ 欢迎来到虫虫下载站!
|
📦 资源下载
📁 资源专辑
ℹ️ 关于我们
⭐ 虫虫下载站
🔐
登录
📝
注册
虫虫下载站
专业电子工程师资源平台
📤 上传资源
🏠 首页
📦 资源下载
📁 资源专辑
🔧 热门软件
⭐ 精品资源
🎓 基础知识
📐 电路图
📚 电子书
🔢 在线计算器
🔍 代码搜索
🏠 首页
›
电路图
›
基础电路
›
USB通信电路图
USB通信电路图
📅 发布时间:
2013-09-23 10:40
👁️ 浏览:
5
🏷️ 标签:
USB
通信
电路图
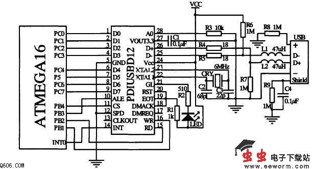
USB通信电路的功能是实现数据采集系统设备端和主机端之间的通信,这一功能主要是由核心微控制器ATmega16和USB控制器件PDIUSBD12实现的。其中,PDIUSBD12是符合USB1.1协议的芯片,在USB通信电路中起着联系设备和主机的桥梁的作用。微控制器ATmegal6和USB控制器PDIUSBD12之间通过8位并行总线进行通信,8位并行总线在ATmegal6端需要连接8个I/O口。PDIUSBD12片内集成了时钟乘法PLL,晶振电路使用6MHZ的晶振和两个2pF到68pF的电容。PDIUSBD12的信号输出端D+/D-上要各串接一个18欧的匹配电阻。通信电路如图2所示。
觉得这篇文章有帮助吗?
👍 来顶一下 (
43
)
🔐 用户登录
×
加载中...
加载登录表单中...
🎁
免费注册送10积分
×
加载中...
加载注册表单中...
🔑 找回密码
×
加载中...
加载表单中...
🔐
需要登录
×
🔒
登录后即可使用!
🎁
新用户注册立即送10积分
积分可用于下载资源,免费获取优质技术资料
🚪
退出登录
×
👋
确认要退出登录吗?
退出后需要重新登录才能下载资源