TBY-753A型快速充电稳压电源

📅 发布时间:2013-09-23 10:45 👁️ 浏览:2 🏷️ 标签: TBY 753 快速充电 稳压电源

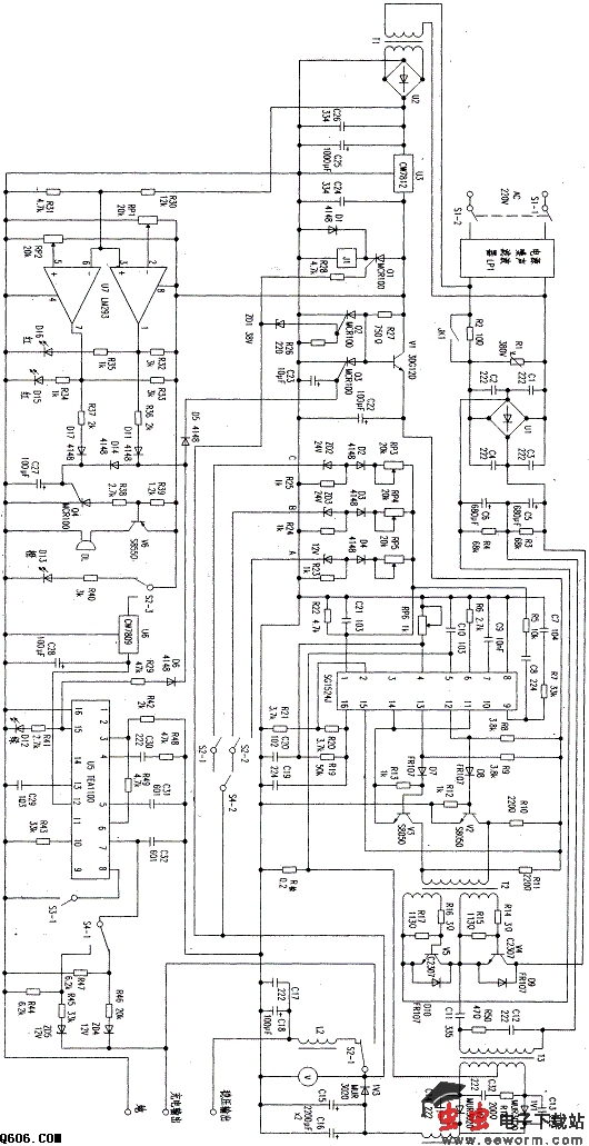
     TBY-753A型快速充电稳压电源,是背负式电台必配的一种便携设备,它采用脉宽调制方式,其核心元件是美国硅通公司早期生产的 SGl524J芯片。

    该机提供12V、24V稳定电压,亦可对12V、24V/4Ah、7Ah镍镉电池组实现快速充电,并具有交流过欠压、输出过压、过流过充等保护功能,是一款不错的充电稳压电源。 


    一、工作原理

    SGl524J脉宽调制器、TEAll00电压负增量检测器、LM293双限电压比较器。    

    AC220V市电经LPl电源噪声滤波器滤波,Ul整流,在C5、C6电容上建立起300V的直流电压,提供给 V4、V5、T3等组成的高频功率变换器;另一路经T1变压器U2整流后为U7提供取样电压,并经U3稳压后为整机提供12V工作电压。    

    SGl524J脉宽调制器的供电,由12V电压经电源控制开关管Vl(3DGl2D)供给。R6、C9决定集成块内振荡器的工作周期,由C7、C8、R5、R7组成的RC反馈网络使芯片内放大器的工作更稳定。从12、13脚输出宽度为0.5μs~5μs的推动脉冲,驱动 V2、V3(S8050)交替工作,再从脉冲变压器T2的次级绕组输出。去驱动两只功率晶体管(C2307)。D9、D10、C12、R18、C32组成尖脉冲吸收电路。高频变压器次级绕组输出,经1V1、1V2高频整流Ll、C15、C16滤波后得到所需直流电压。

    由1V3输出的直流电压,经开关S4-2、S2-2在12V稳压端接A号线为D4、RP5、R23提供取样电压,在24V稳压端接B号线为ZD3、D3、RP4、R24提供取样电压;在24V充电端接C号线为ZD2、D2、RP3、R25提供取样电压(调整RP3、RP4、RP5的数

值可以改变输出电压)。由取样电路提取的变化电压,经①脚输入到误差放大器反相输人端,由16脚提供的基准电压经②脚输入到误差放大器的正输入端,经过对比放大,输出误差电压,从而控制输出脉冲的宽度。达到稳压的目的。

    二、保护电路

    该机有多种保护功能,分别为交流过、欠压保护,输出过压、过流保护,电池过充保护、防冲击电流保护等。

    1.交流过、欠压保护。

    U7、RPl、RP2等组成交流过、欠压保护。由U2整流后的不稳定直流电压,经R30、R31分压后输入到电压比较器LM293的③和⑥脚,由U3稳压后的12V电压经RPl、 RP2分压后,分别输入到LM293的②脚和⑤脚,当③脚电压高于RP1设定值时,①脚输出高电位,通过R35驱动 D16发光,指示交流过压;经R36、Dll、D5,触发可控硅 Q3导通,使V1截止,SGl524J无供电输出,达到保护的目的;另一路经D14触发可控硅Q4导通,使V6导通,DL发出报警声。当⑥脚电压低于RP2设定值时,⑦脚输出高电平,通过R34驱动D15发光,指示交流欠压;经R37、 D17触发可控硅Q4,实现欠压报警,但欠压不截断输出,仍可工作。

    2.输出过压、过流保护。

    ZD1、R26、Q2等组成输出过压保护。当取样电路发生故障、12V/24V开关损坏、或带电转换造成电源失控、输出电压超过ZDl稳压值(38V)时,ZDl击穿,可控硅Q2被触发,使V1截止,SGl524J停止工作,无电压输出。R检、 RP6、集成块④、⑤脚等组成过流保护,当负载电流流过 R检时,在集成块⑤脚产生负压(相对地而言),电流越大,⑤脚电压越负,④脚与⑤脚间的电压差就越大,当④脚电压高于⑤脚电压200mV时,集成块内部限流电路动作,脉冲调制器停止工作,无电压输出。(④脚与⑤脚间的电压差由两部分组成,一是④脚到地正电压,二是⑤脚到地的负电压,在R检不变的情况下,调整RP6改变④脚到地的正电压,就可以改变④、⑤脚间的电压差,从而调整过流保护预设值。

    3.防电池过充保护。    

    U5(TEAl 100)、ZD4、ZD5等组成防电池过充保护。充电输出通过ZD4、ZD5、R44、R45、R46、R47取样检测,经S4-1开关输入集成块⑦脚。⑧脚为电池容量选择开关,当电池电压负增量值达到预设值时,15脚输出跳变的直流电压,经R4l驱动D12发光闪烁,指示充电完成。经R29、D6、D5触发可控硅Q3导通,使Vl截止.SGl524J无供电停止工作,充电停止。     [!--empirenews.page--]

    4.防冲击电流保护。

    由R28、Ql、J1、R2组成防冲击电流保护,当接通交流电时,因JKl未吸合,R2作为限流电阻串入功率变换电路,起到限制启动电流的作用,当机器正常工作后,输出电压经R28触发可控硅Q1,J1得电JKl吸合,R2被短路,以减小功耗。

觉得这篇文章有帮助吗?