OTL功放电路图

📅 发布时间:2013-09-23 10:15 👁️ 浏览:29 🏷️ 标签: OTL 功放电路图

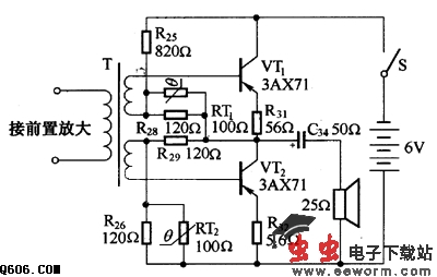
  下图所示是一个输出功率为1OOmW的收音机常用的OTL功放电路。该电路无输出变压器,而用电容器与扬声器进行辆合。OTL功放电路具有频率特性好、非线性失真小及效率高的特点,广泛应用在电视机、扩音机及其他电子设备中。

  图 收音机中的OTL功放电路图

觉得这篇文章有帮助吗?