⭐ 欢迎来到虫虫下载站!
|
📦 资源下载
📁 资源专辑
ℹ️ 关于我们
⭐ 虫虫下载站
🔐
登录
📝
注册
虫虫下载站
专业电子工程师资源平台
📤 上传资源
🏠 首页
📦 资源下载
📁 资源专辑
🔧 热门软件
⭐ 精品资源
🎓 基础知识
📐 电路图
📚 电子书
🔢 在线计算器
🔍 代码搜索
🏠 首页
›
电路图
›
基础电路
›
三相桥式逆变器电路
三相桥式逆变器电路
📅 发布时间:
2013-09-23 05:55
👁️ 浏览:
6
🏷️ 标签:
三相桥式
逆变器电路
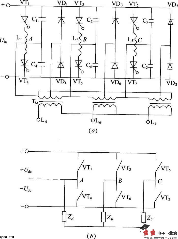
传统的三相桥式逆变器电路图为图a,VT1~VT6为晶闸管,L1~L6为换向电感,C1~C6为换向电容,两者组成晶闸管关断电路。VD1~VD6为反馈二极管。依据晶闸管工作原理,在三相交流输入电源作用下,若晶闸管承受最大正向阳极电压,而控制极又获得触发脉冲时便转入导通状态。反之处于导通状态的晶闸管在足够的反向阳极电压作用下会转为截止状态。图(b)为图(a)的简化图
觉得这篇文章有帮助吗?
👍 来顶一下 (
27
)
🔐 用户登录
×
加载中...
加载登录表单中...
🎁
免费注册送10积分
×
加载中...
加载注册表单中...
🔑 找回密码
×
加载中...
加载表单中...
🔐
需要登录
×
🔒
登录后即可使用!
🎁
新用户注册立即送10积分
积分可用于下载资源,免费获取优质技术资料
🚪
退出登录
×
👋
确认要退出登录吗?
退出后需要重新登录才能下载资源