20W公共汽车收音机和扩音机电路

📅 发布时间:2013-09-23 05:40 👁️ 浏览:8 🏷️ 标签: 20W 公共汽车 收音机 扩音机

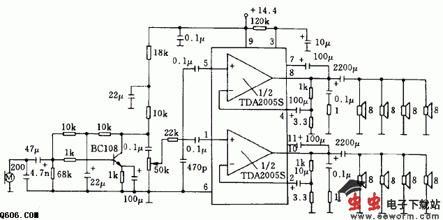
        20W公共汽车收音机和扩音机电路采用TDA2005S双低频功率放大集成电路设计,前端输入端可以接话筒或收音机的低频电压放大输出级,每个TDA200S输出10W功率,可带4个扬声器。两路输出可带8个扬声器,可分放在车内不同地方,总输出功率可达20W。

觉得这篇文章有帮助吗?