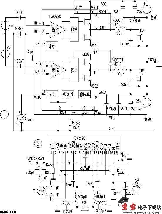
TDA8920是飞利浦公司生产的D类(开关型)功率放大器IC。该器件将模拟电路、数字电路和两个MOSFET半桥功率级集成到同一芯片上。采用17脚单列直插式SOT243-1封装。
TDA8920可以组成单端连接(SE)立体声放大器,具体电路如图1所示。放大器电源电压(VDD和VSS)范围从±15V到±30V,本电路选择±25V。这种立体声SE功放电路输出功率是2X50W,效率为90%,噪声输出电压约100μVrms,放大器闭环增益为30±1DB,THD≤0.15%P0=1Wf=1KHz)。放大器采用差动音频输入,IC振荡器频率由脚屹外部电阻ROSC设定。IC具有热保护和负载短路保护等功能,脚紒紣矠外部电流(RLIM)用作调节限制电流。IC脚紒紤矠上的输入电压(Vms)用作模式选择:即待机、静噪抑制(无声)和导通进入正常操作。IC还内置去咔嚓声电路,使放大器无开/关切换噪声。
图2为TDA8920组成的单声道100W桥接负载(BTL)功放电路。
图1和图2示出的两种D类功放电路可用于TV、家庭音响和多媒体系统。

觉得这篇文章有帮助吗?