⭐ 欢迎来到虫虫下载站!
|
📦 资源下载
📁 资源专辑
ℹ️ 关于我们
⭐ 虫虫下载站
🔐
登录
📝
注册
虫虫下载站
专业电子工程师资源平台
📤 上传资源
🏠 首页
📦 资源下载
📁 资源专辑
🔧 热门软件
⭐ 精品资源
🎓 基础知识
📐 电路图
📚 电子书
🔢 在线计算器
🔍 代码搜索
🏠 首页
›
电路图
›
基础电路
›
智能电话管理器电路图
智能电话管理器电路图
📅 发布时间:
2013-09-22 21:50
👁️ 浏览:
0
🏷️ 标签:
智能电话
管理器
电路图
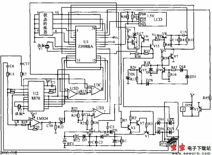
新型智能电话管理器电路如图所示,本器使用智能通信专用集成控制芯片ZH988A为核为构成智能电话管理机,电路如图所示。其主要功能为:1可将每部电话分设19个用户,有独立的密码和帐户,实现分户管理;2对每个分户进行使用权限、费用计划等限制;3开放110、119、114等免费项目;4自动计算通话时间和费用;5数据密码等可用键盘的修改;6防盗打监控;7 P/T兼容等。
觉得这篇文章有帮助吗?
👍 来顶一下 (
95
)
🔐 用户登录
×
加载中...
加载登录表单中...
🎁
免费注册送10积分
×
加载中...
加载注册表单中...
🔑 找回密码
×
加载中...
加载表单中...
🔐
需要登录
×
🔒
登录后即可使用!
🎁
新用户注册立即送10积分
积分可用于下载资源,免费获取优质技术资料
🚪
退出登录
×
👋
确认要退出登录吗?
退出后需要重新登录才能下载资源