本文介绍的温度监测报警器,具有“高”、“中”、“低”3档温度指示,能在温度偏高或偏低时发出报警信号,可用于大棚、温室等需要温度监控的场合。
电路工作原理
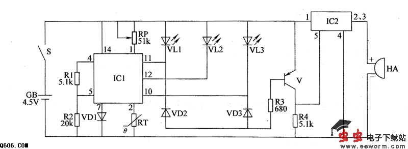
该温度监测报警器电路由温度检测/指示电路和声音报警电路组成,如图所示。
温度检测/指示电路由电阻器RI、R2、控制集成电路IC1、热敏电阻器(温度传感器)RT、电位器RP、二极管VDI和发光二极管VL1~VL3组成。
声音报警电路由二极管VD2、VD3、电阻器R3、R4晶体管V、电子开关集成电路IC2和蜂鸣器HA组成。
接通电源开关S后,电池CB为整机电路提供4.5V工作电源。
RT用来检测环境温度,其阻值随着温度的升高而减小,IC1的2脚电压随着RT的阻值变化而变化。
RP用来设定监控温度。当环境温度适宜(在RP的设定温度范围内)时,ICl的2脚电位介于高电平与低电平之间,12脚输出低电平,10脚和II脚输出高电平,VL2点亮,VL1和VL3不发光,声音报警电路不工作,HA不发声。
当环境温度偏低时,RT的阻值增大,使IC1的2脚电压升高,当IC1的2脚和5脚变为高电平时,11脚和12脚将输出低电平,使VL1和VL2点亮,VD2和V导通,IC2也导通工作,HA发出报警声。
当环境温度升高时,RT的阻值随之减小,使IC1的2脚电压下降。当温度偏高使IC1的2脚和4脚变为低电平时,10脚和12脚输出低电平,使VL2和VL3点亮,VD3和V导通,IC2也导通工作,HA发出报警声。
改变RI和R2的阻值,可以改变温度监控范围。也越大。R1与R2的阻值比越大,温度监控范围也越大。
元器件选择
R1~R4选用1/4W金属膜电阻器或碳膜电阻器。
RP选用合成膜电阻器或可变电阻器。
RT选用负温度系数热敏电阻器。
VD1~VD3均选用l N4148型硅开关二极管。
VLI~VL3均选用Φ3mm的发光二极管。|
V选用S8550或3CG8550型硅PNP晶体管。
IC1选用ZH-3型测光专用集成电路号IC2选用TWH8778型电子开关集成电路。
HA选用内置报警音源的直流电磁蜂鸣器。