⭐ 欢迎来到虫虫下载站!
|
📦 资源下载
📁 资源专辑
ℹ️ 关于我们
⭐ 虫虫下载站
🔐
登录
📝
注册
虫虫下载站
专业电子工程师资源平台
📤 上传资源
🏠 首页
📦 资源下载
📁 资源专辑
🔧 热门软件
⭐ 精品资源
🎓 基础知识
📐 电路图
📚 电子书
🔢 在线计算器
🔍 代码搜索
🏠 首页
›
电路图
›
基础电路
›
开关电源输出部分电路图
开关电源输出部分电路图
📅 发布时间:
2013-09-22 16:35
👁️ 浏览:
0
🏷️ 标签:
开关电源
输出
部分电路
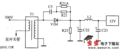
12V电压不稳定,应先检查开关电源的输出部分,如图所示。检查开关变压器的二次绕组及VD4均正常,电感L2无虚焊现象。滤波电容C22和C23的参数都是1000pF/16V,用电容表测量C23,基本正常(容量略有下降),但C22容量却下降到不足80μF,将C22、C23同 分析原因是该机的主电源安装在显示器的底座内,空间很小,散热不良,而C22、C23均靠近12V整流二极管(特别是C22离得更近),受到烘烤后容量下降,使12V的带负载能力变差,进而出现这种故障。虽然5V和3.3V源自于12V,但12V的不稳定并未下降到5V和3.3V变换器的极限供电电压以下,所以这两个电压一直正常,因而掩盖了故障的本质。
觉得这篇文章有帮助吗?
👍 来顶一下 (
84
)
🔐 用户登录
×
加载中...
加载登录表单中...
🎁
免费注册送10积分
×
加载中...
加载注册表单中...
🔑 找回密码
×
加载中...
加载表单中...
🔐
需要登录
×
🔒
登录后即可使用!
🎁
新用户注册立即送10积分
积分可用于下载资源,免费获取优质技术资料
🚪
退出登录
×
👋
确认要退出登录吗?
退出后需要重新登录才能下载资源