⭐ 欢迎来到虫虫下载站!
|
📦 资源下载
📁 资源专辑
ℹ️ 关于我们
⭐ 虫虫下载站
🔐
登录
📝
注册
虫虫下载站
专业电子工程师资源平台
📤 上传资源
🏠 首页
📦 资源下载
📁 资源专辑
🔧 热门软件
⭐ 精品资源
🎓 基础知识
📐 电路图
📚 电子书
🔢 在线计算器
🔍 代码搜索
🏠 首页
›
电路图
›
基础电路
›
多功能超声波加湿器电路图
多功能超声波加湿器电路图
📅 发布时间:
2013-09-22 16:10
👁️ 浏览:
0
🏷️ 标签:
多功能
加湿器
超声波
电路图
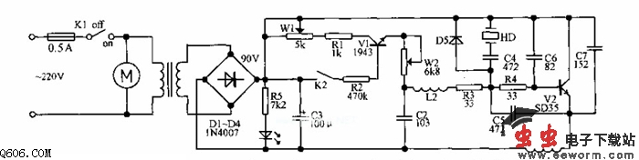
加湿器储水器中放入一定量的水,水位开关K2自动闭合。接通电源K1后V1导通,电压经V1、W2、L2、R3、R4加到V2的基极,V2与周围元件构成振荡电路,振荡频率在超声波段。一定幅度的振荡电压加到换能器HD上,使HD发出超声波,并在喷雾管腔内形成谐振,对水产生空化作用,产生雾化效果。
调节W1、W2可改变振荡的幅度,从而调节喷雾量。M为风扇用于散热。
觉得这篇文章有帮助吗?
👍 来顶一下 (
14
)
🔐 用户登录
×
加载中...
加载登录表单中...
🎁
免费注册送10积分
×
加载中...
加载注册表单中...
🔑 找回密码
×
加载中...
加载表单中...
🔐
需要登录
×
🔒
登录后即可使用!
🎁
新用户注册立即送10积分
积分可用于下载资源,免费获取优质技术资料
🚪
退出登录
×
👋
确认要退出登录吗?
退出后需要重新登录才能下载资源