⭐ 欢迎来到虫虫下载站!
|
📦 资源下载
📁 资源专辑
ℹ️ 关于我们
⭐ 虫虫下载站
🔐
登录
📝
注册
虫虫下载站
专业电子工程师资源平台
📤 上传资源
🏠 首页
📦 资源下载
📁 资源专辑
🔧 热门软件
⭐ 精品资源
🎓 基础知识
📐 电路图
📚 电子书
🔢 在线计算器
🔍 代码搜索
🏠 首页
›
电路图
›
基础电路
›
非接触式感应报警器电路图
非接触式感应报警器电路图
📅 发布时间:
2013-09-22 16:15
👁️ 浏览:
1
🏷️ 标签:
非接触式
报警器电路
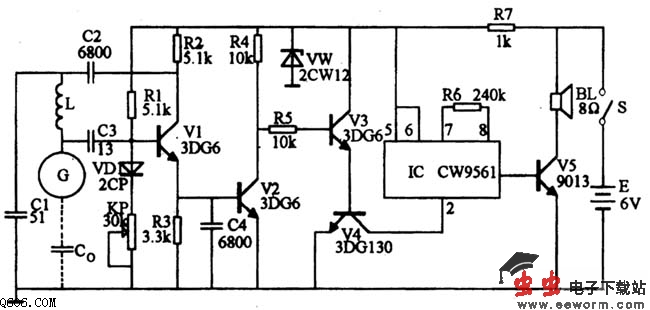
无论盗窃者是否戴手套,只要当手靠近本防盗报警器的感应器5~80mm,报警器就会立刻发出报警信号。电路如图所示。感应器在。图中用G表示,G与地间存在着一个分布电容Co,Co与L、C1、V1组成电容三点式振荡器,在由Co、C1、L组成的回路中,从交流通路上看C0与C1是串联的。当没有人靠近G时,Co较小,它与C1串联后,在Co两端的分压较大,而在C1两端的分压较小,Co两端较高的高频电压通过C3馈送到V1基极,足以维持三点式振荡器产生振荡。此时R3上的压降较高,使V2导通,V3和V4组成的复合管截止,切断了四声模拟集成电路IC的电源,IC不工作,扬声器不发声。当有人靠近感应器G时,Co值增大,Co两端的高频分压变小,通过C3馈送到V1基极的电压不足以再维持V1产生振荡,V1立即停振。此时,R3上的电压降较小,V2截止,V3、V4导通,IC的②脚(Vss端)相当于接地,IC得电工作,③脚输出警笛声信号,经V5放大后由扬声器BL发出警报声。KP1用于调整感应灵敏度。
V1、V2、V3采用3DG6等,B为80~150;V4采用3DG130、3DG12或3DK4等。V5采用9013等。集成电路IC选用CW 9561四声IC。VD1为2CP型M极管,Vw为2CW12稳压二极管。I用0.31mm的漆包线在外径为10MM的有机玻璃管上密绕20匝即成。感应器G用200X150mm的金属板制成,或将G点引线与金属门锁相连。
觉得这篇文章有帮助吗?
👍 来顶一下 (
51
)
🔐 用户登录
×
加载中...
加载登录表单中...
🎁
免费注册送10积分
×
加载中...
加载注册表单中...
🔑 找回密码
×
加载中...
加载表单中...
🔐
需要登录
×
🔒
登录后即可使用!
🎁
新用户注册立即送10积分
积分可用于下载资源,免费获取优质技术资料
🚪
退出登录
×
👋
确认要退出登录吗?
退出后需要重新登录才能下载资源