电器密码控制器电路图

📅 发布时间:2013-09-22 14:20 👁️ 浏览:5 🏷️ 标签: 电器 密码控制器 电路图
        本电路适用于重要电器设备的电源控制,可有效地防止他人对重要设备的随意使用。
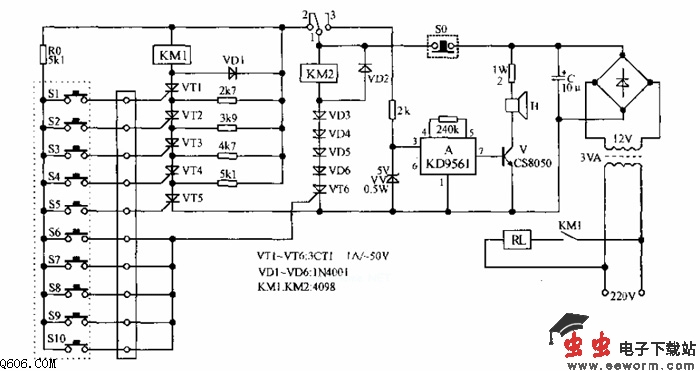
该控制器设有五位顺序码和五位伪码(报警码),以单向可控硅VT为核心元件,采用双继电器。互锁控制电器的电源开关。
按键S1-S5为密码键,S6-S10为伪码键。根据VT的导通原理,只有当按照S5→S4→S3→S2→S1的顺序依次按下密码键时,VT5、VT4、VT3、VT2、VT1才能依次得到触发电压并满足导通条件而导通,
        使KM1得电工作,接通电器电源;当按下伪码键S7-S10的任意一个键时,则VT6导通,使KM2得电,其常闭触点1-2断开,常开触点1-3吸合,接通报警电路,由专用报警集成电路A产生报警信号,并由V放大后推动扬声器H发出报警声。
同时使KM1、VT1-VT5失电复位。当报警电路投入工作后自锁,只有按下复位键SO时,才能终止报警。
觉得这篇文章有帮助吗?