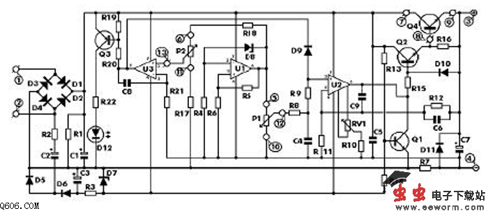
可调稳压电源电路图

📅 发布时间:2013-09-22 14:25 👁️ 浏览:1 🏷️ 标签: 可调稳压 电源电路图

技术规格及特性:
输入电压:..............24VAC
输入电流:..............3A(max)
输出电压:..............0-30 V adjustable
输出电流:..............2 mA-3 A adjustable
输出电压速波:..........0.01%  maximum
特色:
-缩小体积,制作容易,操作容易。
-输出电压容易调整。
-输出电流限制含指示。
-对超负载或故障提供完整保护。

觉得这篇文章有帮助吗?