⭐ 欢迎来到虫虫下载站!
|
📦 资源下载
📁 资源专辑
ℹ️ 关于我们
⭐ 虫虫下载站
🔐
登录
📝
注册
虫虫下载站
专业电子工程师资源平台
📤 上传资源
🏠 首页
📦 资源下载
📁 资源专辑
🔧 热门软件
⭐ 精品资源
🎓 基础知识
📐 电路图
📚 电子书
🔢 在线计算器
🔍 代码搜索
🏠 首页
›
电路图
›
基础电路
›
过零检测电路图
过零检测电路图
📅 发布时间:
2013-09-22 14:00
👁️ 浏览:
1
🏷️ 标签:
过零检测
电路图
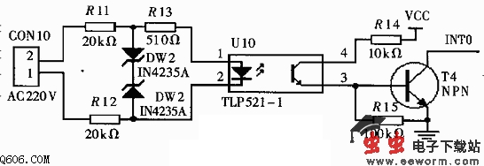
如下图所示为按上述思想设计的电压正向过零检测电路。220V的交流电首先经过电阻分压,然后进行光电耦合,假设输入的是A相电压,则在A相电压由负半周向正半周转换时,图中三极管导通并工作在饱和状态,会产生一个下降沿脉冲送入ADμC812的INT0引脚使系统进入中断程序。微机系统进入中断程序后,发出采样命令并从采样保持器读取无功电流值Iqm,这个无功电流即为A相的无功电流,经过1/4个周期电压达到最大值,此时对电压进行采样,得到UM,由UM=1.414U可以得到电压有效值U。
觉得这篇文章有帮助吗?
👍 来顶一下 (
97
)
🔐 用户登录
×
加载中...
加载登录表单中...
🎁
免费注册送10积分
×
加载中...
加载注册表单中...
🔑 找回密码
×
加载中...
加载表单中...
🔐
需要登录
×
🔒
登录后即可使用!
🎁
新用户注册立即送10积分
积分可用于下载资源,免费获取优质技术资料
🚪
退出登录
×
👋
确认要退出登录吗?
退出后需要重新登录才能下载资源