可预置充电终止电压的9V充电器

📅 发布时间:2013-09-22 13:15 👁️ 浏览:6 🏷️ 标签: 预置 充电 电压 充电器

可预置充电终止电压的9V充电器

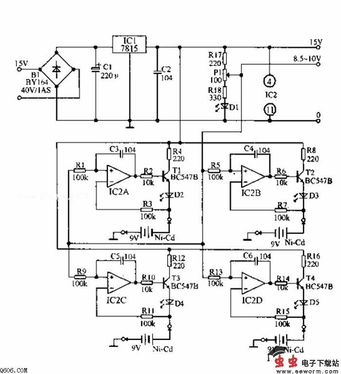
本充电器具有四组相同的充电电路,可同时对四只PP3型9V镍镉电池充电。充电的终止电压可在8.5~10.5V范围内预置。电压比较器IC2A~IC2D分别与T1~T4组成四组充电电路,每组电路可充一只PP3型9V镍镉电池。15V直流电压通过R17、P1、R18、D1组成的分压器分压,调节P1可在其滑动端取得8.5~10.5V的基准电压,此电压通过四只100k欧隔离电阻分别加到四个比较器的同相输入端。每组被充电池的电压都通过一只100k欧电阻加到该组比较器的反相输入端,去与基准电压作比较。
电池充电时T1~T4导通,D2~D5指示充电正在进行。当电池电压充到超过P1设定的基准电压(即预置的充电终止电压)时,该组比较器的输出端翻转到低电平,受它控制的晶体管截止,使该组电压中断充电。中断充电后若电池电压下降到设定值电压时,电路会继续充电。

觉得这篇文章有帮助吗?