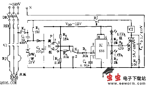
如图所示,电容降压整流电路供给控制电路Vdd=12V的电压。图中的P为电接点压力表,当供水器内无水时,内部压力低,表内的动触点“1”与下限触点“3”闭合,IC的2脚呈低电平,555置位,3脚的高电平使SCR触发导通,CJ吸合,水泵M向供水器内打水,压力表内气压上升,当动触头“1”上升与“3”脱离,并与上限触头“2”接合时,“1”触头呈高电平Vdd,即555的6脚呈高电平,555复位,将SCR断开,水泵无电自停。此后,由于用水,水位下降,表内气压下降,动触头又与下限触头接合,555置位,SCR导通,水泵抽水,如此循环,使供水装置液位实现自控。
CJ采用CJ-40A交流接触器,选用3A/400V的双向SCR可直接驱动之。

觉得这篇文章有帮助吗?