555鱼缸水温自动加热控制电路

📅 发布时间:2013-09-22 13:00 👁️ 浏览:8 🏷️ 标签: 555 自动 加热控制 电路

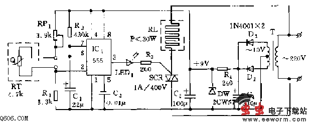
  本水温自动控温电路包括降压整流电路、湿控定时控制电路和可控硅控制电路。当缸水温度低于25度时,自动升温加热10秒钟,使水温保持在+25~30度左右。它的电路如图所示。
  降压整流电路由降压变压器T、整流二极管D1、D2等组成,并由R4、DW(2CW57)组成稳压电路,稳压出+9V的电压。

  IC1(555)和RP1、RT、R1、R2、C1等组成温控单温态定时控制电路。RT是温敏元件,采用负温度系数(NTC)玻封热敏电阻器;555工作在单稳态模式。平时(温度t<25度)555处于复位状态,即3脚输出低电平,当缸内水温下降时,水中的温敏电阻RT的阻值变大,调节RP1,当t=25度时,使RP1+RT=2R1,当水温稍低于25度时,有RP1+RT>2R1,使555的触发电平低于触发翻转电平1/3Vdd(3V),将555触发置位,3脚输出转呈高电位,LED1发光,同时将可控硅触发导通,电阻丝RL通电加热,RL加热的时间取决于555单稳态电路的暂稳持续时间,即td=1.1R2C1.
  图示参数是按10秒钟设计的。暂稳时间到,555的输出转呈低电平,LED1熄灭,SCR关断,RL断电,停止加热。当水温过一段时间又降至25度时,又一个暂稳和加热过程,如此往返通电,保持缸中水温在25度以上。
  在元器件选用上,温敏电阻RT应选负温度系数(NTC)电阻器,最好选用玻封结构,防止漏电,电位器RP1可选用WSW型有机实芯电位器;加热器最好选用现成的鱼缸专用加热器件,功率不宜大于30W;可控硅可选用耐压不低于400V的1A又向可控硅,如3CTS1A-D型;变压器T选用次级线圈中心抽头(10V)的5VA降压变压器。

觉得这篇文章有帮助吗?