⭐ 欢迎来到虫虫下载站!
|
📦 资源下载
📁 资源专辑
ℹ️ 关于我们
⭐ 虫虫下载站
🔐
登录
📝
注册
虫虫下载站
专业电子工程师资源平台
📤 上传资源
🏠 首页
📦 资源下载
📁 资源专辑
🔧 热门软件
⭐ 精品资源
🎓 基础知识
📐 电路图
📚 电子书
🔢 在线计算器
🔍 代码搜索
🏠 首页
›
电路图
›
基础电路
›
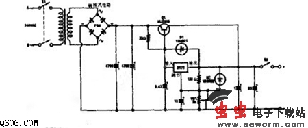
可调的20V电源电路图
可调的20V电源电路图
📅 发布时间:
2013-09-22 11:20
👁️ 浏览:
1
🏷️ 标签:
20V
电源电路图
该电路可提供3A或更大的电瓶,以及稍高于20V的最大直流电压,电路主要围绕方便有用的LM317T终端调节器,以及一个放大输出电流的功率晶体管来设计。
电路中的变压器产生一个额定6A,18V的次级电压,这个电压被送到桥式整流器和两个4700uF的电容以产生一个25V左右的直流电压,此电压被输送到M32955晶体管的发射器,并且通过一个33欧的电阻送至LM317T的输入端。
觉得这篇文章有帮助吗?
👍 来顶一下 (
24
)
🔐 用户登录
×
加载中...
加载登录表单中...
🎁
免费注册送10积分
×
加载中...
加载注册表单中...
🔑 找回密码
×
加载中...
加载表单中...
🔐
需要登录
×
🔒
登录后即可使用!
🎁
新用户注册立即送10积分
积分可用于下载资源,免费获取优质技术资料
🚪
退出登录
×
👋
确认要退出登录吗?
退出后需要重新登录才能下载资源