⭐ 欢迎来到虫虫下载站!
|
📦 资源下载
📁 资源专辑
ℹ️ 关于我们
⭐ 虫虫下载站
🔐
登录
📝
注册
虫虫下载站
专业电子工程师资源平台
📤 上传资源
🏠 首页
📦 资源下载
📁 资源专辑
🔧 热门软件
⭐ 精品资源
🎓 基础知识
📐 电路图
📚 电子书
🔢 在线计算器
🔍 代码搜索
🏠 首页
›
电路图
›
基础电路
›
DC-DC变换的开关电源电路
DC-DC变换的开关电源电路
📅 发布时间:
2013-09-22 11:05
👁️ 浏览:
11
🏷️ 标签:
DC-DC
变换
开关电源电路
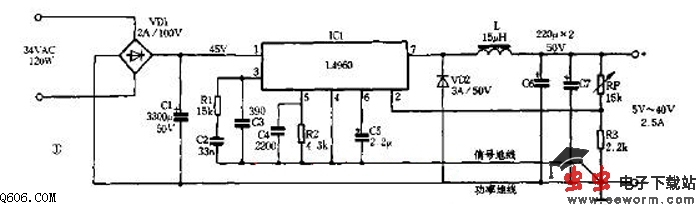
本文介绍一种型号为L4960的DC-DC变换的开关电源,如图所示。从图中可以看出电路十分简单,它的使用方法与LM317非常相似,先使用50Hz电源变压器进行AC-AC变换,将~220V降至~34V,然后由VD1和C1整流滤波为46V左右的直流电压输入给L4960,再由L4960进行DC-DC变换,这时输出电压的变化范围下可调至5V,上调至40V,最大输出电流可达2.5A(还可以接大功率开关管进行扩流),并且内设完善的保护功能,如过流保护、过热保护等。尽管L4960的使用方法与LM317差不多,但开关电源的L4960与线性电源的LM317相比,效率不可同曰而语,L4960最大可输出100W的功率(Pmax=40V*2.5A=100W),但本身最多只消耗7W,所以散热器很小,制作容易。与L4960类似的还有L296,其基本参数与L4960相同,只是最大输出电流可高达4A,且具有更多的保护功能,封装形式也不一样。
觉得这篇文章有帮助吗?
👍 来顶一下 (
73
)
🔐 用户登录
×
加载中...
加载登录表单中...
🎁
免费注册送10积分
×
加载中...
加载注册表单中...
🔑 找回密码
×
加载中...
加载表单中...
🔐
需要登录
×
🔒
登录后即可使用!
🎁
新用户注册立即送10积分
积分可用于下载资源,免费获取优质技术资料
🚪
退出登录
×
👋
确认要退出登录吗?
退出后需要重新登录才能下载资源