488kHz信号发生器与分频器电路图

📅 发布时间:2013-09-22 04:00 👁️ 浏览:12 🏷️ 标签: 488 kHz 信号发生器 分频器
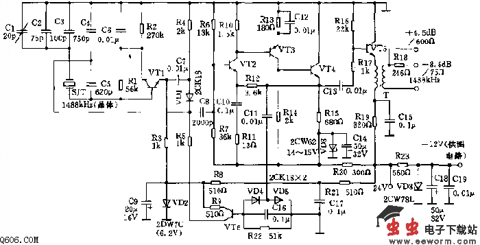
  l488kHz主振器用石英晶体谐振器稳频,其输出由分频器进行分频,而得到4kHz、12kHz、124kHz三种不同的方波信号输出。
  1、工作原理
  l488kHz主振器如图所示。三极管VT1、二极管VD1、电容器C1~C7及相关元件组成一个电容三点式振荡电路。振荡电压由三极管VT2~VT5及相关元件组成的放大器加以放大。其中,VT4为射极输出器,它的特点为输入阻抗高、输出阻抗低,使后级带负载能力增强,对前级的振荡信号起到稳定作用。放大后由变量器T输出l488kHz信号频率。
  前置放大器的一部分输出由VT4的发射极引至电容器C11、二极管VD4、VD5、电容器C16及电阻器R22组成的倍压检波器进行整流,整流输出的负电压加至三极管VT6的基极上,同时VT6的基极通过电阻器R22接至电源正极(地)。当电路起振时,由于VT6基极上有从R22来的正电位,故VT6饱和,集电极电流很大,流过二极管VD1的电流很大,(二极管VD1接于VT6的集电极回路上,且VD1实际上又是振荡级VT1的发射极反馈电阻)。
觉得这篇文章有帮助吗?