⭐ 欢迎来到虫虫下载站!
|
📦 资源下载
📁 资源专辑
ℹ️ 关于我们
⭐ 虫虫下载站
🔐
登录
📝
注册
虫虫下载站
专业电子工程师资源平台
📤 上传资源
🏠 首页
📦 资源下载
📁 资源专辑
🔧 热门软件
⭐ 精品资源
🎓 基础知识
📐 电路图
📚 电子书
🔢 在线计算器
🔍 代码搜索
🏠 首页
›
电路图
›
基础电路
›
单片温度传感电路图
单片温度传感电路图
📅 发布时间:
2013-09-22 02:20
👁️ 浏览:
7
🏷️ 标签:
温度传感
电路图
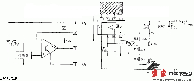
集成电路LM3911是由运算放大器及稳压电路构成的硅片传感器。只需外接少量元件就可构成一个简单的电子温度表。硅片中利用晶体管作温度敏感元件。晶体管基射极电压随温度变化而变化。当温度升高时,基射极电压也升高。从一块铜块上摄取的外界温度传递到温度传感器上,铜块接到集成电路的引脚5~8上。这些引脚在内部连接到温度传感器上。温度传感器恒压源(6.8V)供电。
自温度传感器上输出的信号加到内部运算放大器同相输入端,而其反相输入端电位固定。因此,运算放大器的输出端(引脚2)电位受温度传感器控制,经表头指示出读数。电路中集成芯片需电流约3mA,其余的0.5mA电流流经外接电路。
温度传感器的工作温度范围为-25度~+85度。表头指示范围决定于外接电路参数。
觉得这篇文章有帮助吗?
👍 来顶一下 (
27
)
🔐 用户登录
×
加载中...
加载登录表单中...
🎁
免费注册送10积分
×
加载中...
加载注册表单中...
🔑 找回密码
×
加载中...
加载表单中...
🔐
需要登录
×
🔒
登录后即可使用!
🎁
新用户注册立即送10积分
积分可用于下载资源,免费获取优质技术资料
🚪
退出登录
×
👋
确认要退出登录吗?
退出后需要重新登录才能下载资源