⭐ 欢迎来到虫虫下载站!
|
📦 资源下载
📁 资源专辑
ℹ️ 关于我们
⭐ 虫虫下载站
🔐
登录
📝
注册
虫虫下载站
专业电子工程师资源平台
📤 上传资源
🏠 首页
📦 资源下载
📁 资源专辑
🔧 热门软件
⭐ 精品资源
🎓 基础知识
📐 电路图
📚 电子书
🔢 在线计算器
🔍 代码搜索
🏠 首页
›
电路图
›
基础电路
›
气体传感器及其电路图
气体传感器及其电路图
📅 发布时间:
2013-09-21 19:20
👁️ 浏览:
0
🏷️ 标签:
气体传感器
电路图
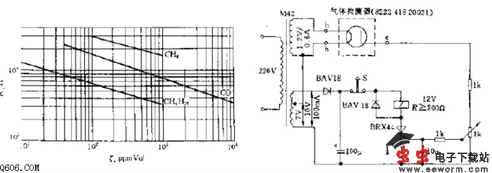
某些半导体具有这样一种特性,即在充有一定气体的周围空气中其电阻值会随温度的升高而急剧减小。这种效应也可以表现为:当气体浓度达到一定时其材料的性能将发生很大的变化。利用这种半导体材料即可制成气体传感器。属于这种材料的有三氧化铁、氧化锡和氧化锌等。它们对甲烷、丁烷、乙醇和苯等气体或蒸汽有反应。
图a示出典型的传感器电阻R同气体浓度p的关系曲线。按上述原理构成型号为822418200031的气体传感器,它由一个毫米大小的陶瓷片及加热灯丝和相对的电极所组成,工作温度为300度,其上通过直流或交流电流。
图b示出一介简单的气体报警电路。当1k欧电位器滑动触点电位超过某一定值时,晶闸管就被触发导通,继电器就动作发出信号或控制执行机构断开,直到按到停止按钮S,继电器才重新断电。
觉得这篇文章有帮助吗?
👍 来顶一下 (
90
)
🔐 用户登录
×
加载中...
加载登录表单中...
🎁
免费注册送10积分
×
加载中...
加载注册表单中...
🔑 找回密码
×
加载中...
加载表单中...
🔐
需要登录
×
🔒
登录后即可使用!
🎁
新用户注册立即送10积分
积分可用于下载资源,免费获取优质技术资料
🚪
退出登录
×
👋
确认要退出登录吗?
退出后需要重新登录才能下载资源