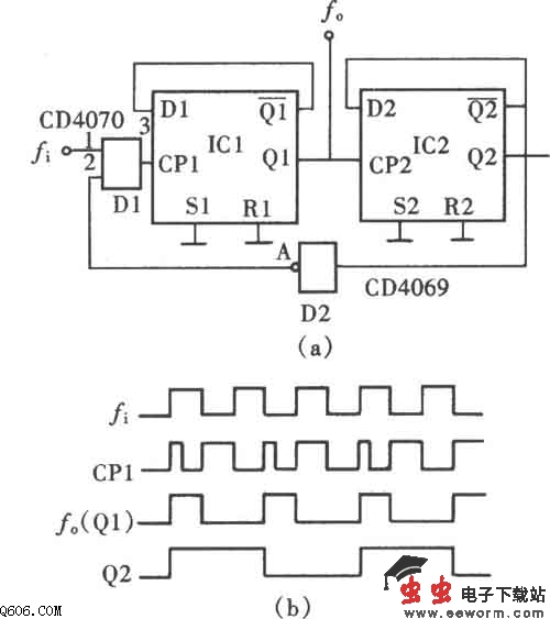
由CD4013组成的3-1脉冲分频电路图

📅 发布时间:2013-09-21 18:30 👁️ 浏览:5 🏷️ 标签: 4013 CD 脉冲分频 电路图

在数字电路中,有时需要一个将输入脉冲减去几个的分频电路,用CD4013与反馈门进行适当组合,几乎可以实现任意脉冲减法的电路组合。如图所示为由CD4013组成的3-1脉冲分频电路。

觉得这篇文章有帮助吗?