⭐ 欢迎来到虫虫下载站!
|
📦 资源下载
📁 资源专辑
ℹ️ 关于我们
⭐ 虫虫下载站
🔐
登录
📝
注册
虫虫下载站
专业电子工程师资源平台
📤 上传资源
🏠 首页
📦 资源下载
📁 资源专辑
🔧 热门软件
⭐ 精品资源
🎓 基础知识
📐 电路图
📚 电子书
🔢 在线计算器
🔍 代码搜索
🏠 首页
›
电路图
›
基础电路
›
噪声发生器电路图
噪声发生器电路图
📅 发布时间:
2013-09-21 14:20
👁️ 浏览:
15
🏷️ 标签:
噪声发生器
电路图
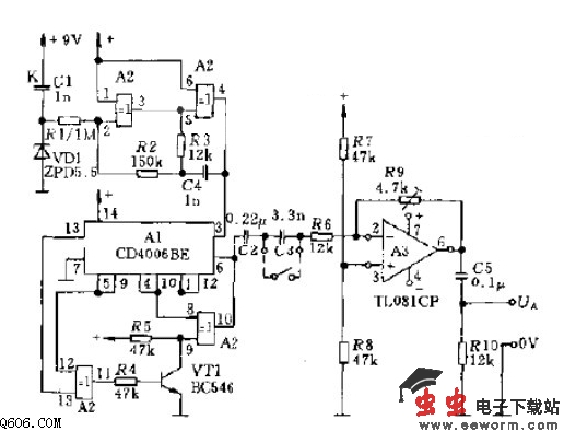
所谓白色噪音,根据定义是一种包括有自零频至无限大频率的无限多个单个频率的振荡信号,它有多方面的应用,可产生多种音响效果,可在频谱分析仪中测量信号以及在磁带录音机中用作校准信号等等。
最常见和熟悉的噪声源就是放大器。根据其结构的不同,各种放大器除了有用信号以外,在一定程度上或多或少存在噪声信号。
觉得这篇文章有帮助吗?
👍 来顶一下 (
78
)
🔐 用户登录
×
加载中...
加载登录表单中...
🎁
免费注册送10积分
×
加载中...
加载注册表单中...
🔑 找回密码
×
加载中...
加载表单中...
🔐
需要登录
×
🔒
登录后即可使用!
🎁
新用户注册立即送10积分
积分可用于下载资源,免费获取优质技术资料
🚪
退出登录
×
👋
确认要退出登录吗?
退出后需要重新登录才能下载资源