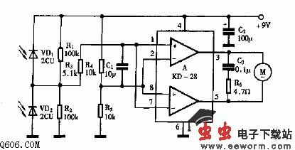
VD1、VD2是两只光敏二极管,当用手电筒照射VD1时,KD-28的1脚电平高于8脚,这时输出端3脚电平高于电源电压的一半,而输出端5脚电平低于电源电压的一半,玩具电动机M在正向电压下驱动正转,玩具车向前行驶;若用手电筒照射VD2,集成块1脚电平低于8脚,则输出端3脚电平低于电源电压的一半,5脚电平高于电源电压的一半,电动机M在反向电压下驱动反转,玩具车后退。本电路要求VD1与VD2尽可能采用特性一致的2CU型光敏电阻器。电动机M应采用工作电压比电源电压低2V左右的玩具小电机。电路安装好后应适当调整电阻R1、R2,要求电路在静止状态时电动机M应停转。

觉得这篇文章有帮助吗?