⭐ 欢迎来到虫虫下载站!
|
📦 资源下载
📁 资源专辑
ℹ️ 关于我们
⭐ 虫虫下载站
🔐
登录
📝
注册
虫虫下载站
专业电子工程师资源平台
📤 上传资源
🏠 首页
📦 资源下载
📁 资源专辑
🔧 热门软件
⭐ 精品资源
🎓 基础知识
📐 电路图
📚 电子书
🔢 在线计算器
🔍 代码搜索
🏠 首页
›
电路图
›
基础电路
›
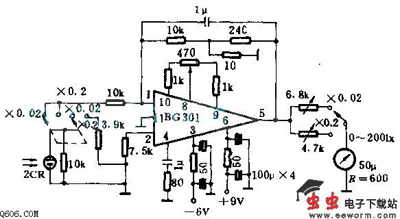
低照度放大电路图
低照度放大电路图
📅 发布时间:
2013-09-21 08:00
👁️ 浏览:
1
🏷️ 标签:
照度
放大电路图
本电路用于量程为2 lx和20 lx档的放大器电路,若量程大于200 lx档时,可直接用表头并联分流电阻标定。为保证线性,在测量20 lx挡时,2CR的负载因并联3.9k欧电阻而减小,误差约正负4%;稳定性为每年变化正负2%,但受温度影响,每增高1度时,示值增大1%。
觉得这篇文章有帮助吗?
👍 来顶一下 (
76
)
🔐 用户登录
×
加载中...
加载登录表单中...
🎁
免费注册送10积分
×
加载中...
加载注册表单中...
🔑 找回密码
×
加载中...
加载表单中...
🔐
需要登录
×
🔒
登录后即可使用!
🎁
新用户注册立即送10积分
积分可用于下载资源,免费获取优质技术资料
🚪
退出登录
×
👋
确认要退出登录吗?
退出后需要重新登录才能下载资源