⭐ 欢迎来到虫虫下载站!
|
📦 资源下载
📁 资源专辑
ℹ️ 关于我们
⭐ 虫虫下载站
🔐
登录
📝
注册
虫虫下载站
专业电子工程师资源平台
📤 上传资源
🏠 首页
📦 资源下载
📁 资源专辑
🔧 热门软件
⭐ 精品资源
🎓 基础知识
📐 电路图
📚 电子书
🔢 在线计算器
🔍 代码搜索
🏠 首页
›
电路图
›
基础电路
›
发光与音响探头电路图
发光与音响探头电路图
📅 发布时间:
2013-09-21 03:50
👁️ 浏览:
2
🏷️ 标签:
发光
音响
探头
电路图
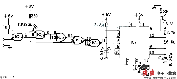
NE556定时器电路由IC3连接成振荡器,并由IC1(SN74132N)和IC2(SN7486N)进行控制。它能用音响振告数字逻辑被测点的静态状态,这为盲人实验人员提供了方便。当发生从1到0或从0到1的逻辑跃变时,只要持续时间超过50ns,这个电路便能够检测出来,并且以“嘟嘟”声发出报告。发光二极管供肉眼观测之用,当输入为逻辑1时,发光二极管发光。
觉得这篇文章有帮助吗?
👍 来顶一下 (
95
)
🔐 用户登录
×
加载中...
加载登录表单中...
🎁
免费注册送10积分
×
加载中...
加载注册表单中...
🔑 找回密码
×
加载中...
加载表单中...
🔐
需要登录
×
🔒
登录后即可使用!
🎁
新用户注册立即送10积分
积分可用于下载资源,免费获取优质技术资料
🚪
退出登录
×
👋
确认要退出登录吗?
退出后需要重新登录才能下载资源