触摸式定时节能灯
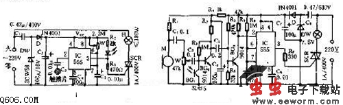
如图1所示,IC接成单稳态电路。平时IC处于复位状态,3脚为低电平,SCR截止,H灯熄。当人手触及金属触摸片时,感应信号触发IC使其状态翻转,3脚高电平使SCR导通,H灯亮。电容器C5原来在IC复位状态时放电完毕,现在IC置位,C5经W充电,当充电电压达到2/3Vcc时,IC复位,3脚低电平,SCR关断,H灯熄。电容器C5的充电时间也是维持灯亮的时间。这段延时时间为t4=1.1RwC5.图示参数最长时间约7分钟,调节W可改变亮灯时间。

节电、防盗自动照明灯
如图2所示,电路由降压整流电路、声一电转换电路、光一电转换电路、放大电路、单稳延时电路及可控硅控制电路等组成。降压整流电路提供Vdd=7V的直流工作电源。话筒M将声音转换成电信号,光敏三极管BG1(3DU5)将光信号转换为电信号。BG2、BG3等构成放大器及电子开关。IC(555)和R4、C5等构成单稳态延时电路。
白天,光电三极管BG1受光照呈低阻态,拾音器M拾得的声音--电信号被BG1短路,单稳电路IC复位。入夜时BG1呈高阻,M中的音频电信号经BG2、BG3放大,并输入IC的触发端2脚,使IC置位,SCR导通,灯亮。置位时间(灯亮时间)t4=1.1R3C5.置位时间终了,灯灭。图示参数灯亮时间100s。本电路可用于楼梯、通道等处作为延时开关,也可用于僻静处作防盗开关。作防盗报警时电灯可换为电铃等声响设备。
觉得这篇文章有帮助吗?