⭐ 欢迎来到虫虫下载站!
|
📦 资源下载
📁 资源专辑
ℹ️ 关于我们
⭐ 虫虫下载站
🔐
登录
📝
注册
虫虫下载站
专业电子工程师资源平台
📤 上传资源
🏠 首页
📦 资源下载
📁 资源专辑
🔧 热门软件
⭐ 精品资源
🎓 基础知识
📐 电路图
📚 电子书
🔢 在线计算器
🔍 代码搜索
🏠 首页
›
电路图
›
基础电路
›
-40—+125℃数字温度计电路图
-40—+125℃数字温度计电路图
📅 发布时间:
2013-09-20 21:00
👁️ 浏览:
2
🏷️ 标签:
125
40
数字温度计
电路图
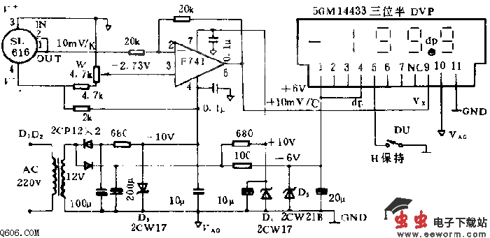
本数字温度计电路由新型半导体IC热敏传感器SL616和三位半数字电压面板表(DVP)组合而成。使用SL616A可测量-40~125度范围内的温度;使用SL161C可测量-25~+85度范围内的温度。校正后的测量精度为正负0.5度。电源使用+6V,正负10V三组,仅+6V电源耗电流较大(约65mA),正负10V电源各耗电流仅3mA左右。
觉得这篇文章有帮助吗?
👍 来顶一下 (
77
)
🔐 用户登录
×
加载中...
加载登录表单中...
🎁
免费注册送10积分
×
加载中...
加载注册表单中...
🔑 找回密码
×
加载中...
加载表单中...
🔐
需要登录
×
🔒
登录后即可使用!
🎁
新用户注册立即送10积分
积分可用于下载资源,免费获取优质技术资料
🚪
退出登录
×
👋
确认要退出登录吗?
退出后需要重新登录才能下载资源