⭐ 欢迎来到虫虫下载站!
|
📦 资源下载
📁 资源专辑
ℹ️ 关于我们
⭐ 虫虫下载站
🔐
登录
📝
注册
虫虫下载站
专业电子工程师资源平台
📤 上传资源
🏠 首页
📦 资源下载
📁 资源专辑
🔧 热门软件
⭐ 精品资源
🎓 基础知识
📐 电路图
📚 电子书
🔢 在线计算器
🔍 代码搜索
🏠 首页
›
电路图
›
基础电路
›
125摩托车电子点火电路图
125摩托车电子点火电路图
📅 发布时间:
2013-09-20 19:20
👁️ 浏览:
6
🏷️ 标签:
125
摩托
电子点火
电路图
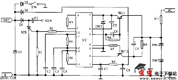
EXT接磁电机产生的交流电。经D1整流,储存在C1中,经D4整流,R9、C7、C8滤波,给集成电路IC供电,经D3接熄火开关SW(当SW接地时,电子点火器不点火)。PC接触发线圈,触发电压通过BG1、BG2由IC的2、7脚输入,使10脚产生触发脉冲,由R1、R2分压加在SCR的控制极上,使之导通。C1通过SCR放电,使IGN产生较高电压,通过点火线圈,使火花塞放电,发动机工作。该电路设有时间调整电路,能使点火时刻随着发动机转速不同而自动同步跟踪调整,使发动机始终在它转速所需要的最佳时刻点火。
觉得这篇文章有帮助吗?
👍 来顶一下 (
62
)
🔐 用户登录
×
加载中...
加载登录表单中...
🎁
免费注册送10积分
×
加载中...
加载注册表单中...
🔑 找回密码
×
加载中...
加载表单中...
🔐
需要登录
×
🔒
登录后即可使用!
🎁
新用户注册立即送10积分
积分可用于下载资源,免费获取优质技术资料
🚪
退出登录
×
👋
确认要退出登录吗?
退出后需要重新登录才能下载资源