⭐ 欢迎来到虫虫下载站!
|
📦 资源下载
📁 资源专辑
ℹ️ 关于我们
⭐ 虫虫下载站
🔐
登录
📝
注册
虫虫下载站
专业电子工程师资源平台
📤 上传资源
🏠 首页
📦 资源下载
📁 资源专辑
🔧 热门软件
⭐ 精品资源
🎓 基础知识
📐 电路图
📚 电子书
🔢 在线计算器
🔍 代码搜索
🏠 首页
›
电路图
›
基础电路
›
放大曝光器电路图
放大曝光器电路图
📅 发布时间:
2013-09-20 17:50
👁️ 浏览:
0
🏷️ 标签:
放大
曝光器
电路图
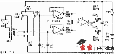
本电路是一基本的LDR桥式电路,VR1是LDR的可变负载电阻。在进行测量时,高输入阻抗的运算缓冲器IC1A和IC1B可保证忽略LDR和VR1接入的影响。IC1C是电压比较器,它可以控制红、黄发光二极管的亮度。在零点处通常LED会从红色转为黄色,或者从黄色转为红色,以此提供连续的对VR1和VR2的照明度。
当电池电压降到6V时,黄色LED指示电压不足。此电路为正温度系数,温度每上升10度,光圈要增加1/4(包括LDR在内)。并且最大感光度已确定为0.1勒克斯,这可用来确定放大机的光源效率。CdS的孔径为4~10mm,任何质量较好的放大机或照相机的镜头均可作为曝光计的校准依据。此曝光计适用于局部鉴定黑、白底片,以及集中测定彩色影像的“平均影像”,也可对彩色影像作局部的测定。对每个影像的测定都要有三个读数,并通过基本的滤色处理才会得到满意的效果。
觉得这篇文章有帮助吗?
👍 来顶一下 (
85
)
🔐 用户登录
×
加载中...
加载登录表单中...
🎁
免费注册送10积分
×
加载中...
加载注册表单中...
🔑 找回密码
×
加载中...
加载表单中...
🔐
需要登录
×
🔒
登录后即可使用!
🎁
新用户注册立即送10积分
积分可用于下载资源,免费获取优质技术资料
🚪
退出登录
×
👋
确认要退出登录吗?
退出后需要重新登录才能下载资源