555电气设备开机时间累计计时器电路图

📅 发布时间:2013-09-20 14:30 👁️ 浏览:4 🏷️ 标签: 555 电气设备 开机 计时器
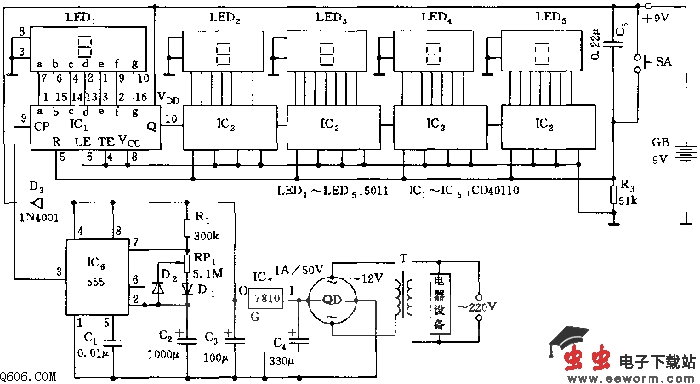
  这是一种可自动识别电气设备开、停机的累计计时器,它由供电电源、基准脉冲发生器、计数、译码和数码显示器等组成,其电路如图所示。
  为解决开机计时及数码显示问题,需解决两个问题:一是应具有自动识别电器的开、停机的功能;二是应在断电时给译码显示电路提供电源。为此,将电池GB跨接在+9V端口,有市电时处于浮充电状态;一旦停电,便对译码显示电路供电。555和R1、RP1、C2和D1等组成时钟脉冲发生器,时钟脉冲的周期T=0.693(R1+RP1)C2.图示参数的振荡周期为3742秒。调节电位器RP1,使555的3脚每1小时(3600秒)输出一个正跳变时钟脉冲,作为IC1计数器的CP脉冲。
  IC1~IC5采用CD40110,它是集计数、锁存、译码及显示四种功能为一体的CMOS集成块。在电器通电工作时,555有电压供给,每隔1小时输出的正跳变脉冲作为IC1的触发脉冲,经IC1~IC5逐级计数、译码、驱动,便在LED1~LED5显示出电器的累计工作时间。在电器因断电不工作时,555无供电电压,555的3脚呈低电平,译码器不计数,但数码管仍显示已累计工作时间。最大累计时间达99999小时。

觉得这篇文章有帮助吗?