555发电机启动蓄电池全自动监控装置电路图

📅 发布时间:2013-09-20 13:50 👁️ 浏览:4 🏷️ 标签: 555 电机启动 全自动 蓄电池
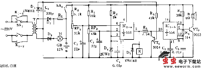
  该监控装置电路如图所示。它以双时基电路556为核心组成蓄电池电压测控电路、蓄电池充电自动识别和告警电路。
  图中GB为启动发电机的启动电池。充电时,交流电经T降压、D2、D3整流,R1限流对GB充电,指示灯H同时发光。IC1-a(1/2 556)和R2~R4、RP1、RP2等组成蓄电池电压检测控制电路。SA2是检测用开关,检测时接通,IC得电处于测控状态。当蓄电池电压放电到允许的最低值10.8V时(发电机已无法启动),电压检测支路R2、RP1上的取样电压加至IC1-a的触发置位端6脚,使输出端5脚呈高电位,继电器K吸合,其常开接点K1-1、K2-2闭合,电源接通,蓄电池GB充电。当GB充到允许的最高值14.5V时,另一检测支路R3、RP2上的取样电压加至该时基电路的复位端2脚,使其复位,5脚转呈低电平,K释放,接点K1-1、K2-2断开,蓄电池充电停止。
  另一半556(IC1-b)和R6~R8、C5、C6、VT1等组成蓄电池充电自动识别和音响提醒电路。当蓄电池需要充电而又未插上电源插头时,VT1截止,其复位端10脚处于高电位(通过R5与5脚相通),此时IC1-b与R7、R8、C6等组成的多谐振荡器开始振荡,其振荡频率f为f=1.44/(R7+2R8)C6.图示参数给出的振荡频率为1020Hz左右。该振荡脉冲经VT2放大后,推动扬声器B发出音频告警,提醒值班人员该充电了。

觉得这篇文章有帮助吗?