⭐ 欢迎来到虫虫下载站!
|
📦 资源下载
📁 资源专辑
ℹ️ 关于我们
⭐ 虫虫下载站
🔐
登录
📝
注册
虫虫下载站
专业电子工程师资源平台
📤 上传资源
🏠 首页
📦 资源下载
📁 资源专辑
🔧 热门软件
⭐ 精品资源
🎓 基础知识
📐 电路图
📚 电子书
🔢 在线计算器
🔍 代码搜索
🏠 首页
›
电路图
›
基础电路
›
人体反应速度测试器电路图
人体反应速度测试器电路图
📅 发布时间:
2013-09-20 14:00
👁️ 浏览:
9
🏷️ 标签:
速度测试
电路图
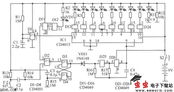
人体反应速度测试器电路如图所示。与非门D25、D26等组成多谐振荡器,输出周期约为50ms的时钟脉冲。IC1组成8位右移寄存器,D1组成的开机延迟电路的输出信号作为其串行输人数据。刚开机时,由于D1输出为“1”,在时钟脉冲作用下,IC1的8位寄存单元迅速全为“1”;3s~4s后,D1输出变为“0”,测试信号灯VD1亮,同时,IC1的8位寄存单元将在时钟脉冲作用下从左至右依次变为“0”,直至被测试人按下停止按钮S1,将D3、D4组成的RS触发器置“0”,使D25、D26停振,IC1处于保持状态,其结果通过驱动电路D13~D16、D21~ D24驱动发光二极管显示。D2的作用是使停止按钮S1只有在测试信号灯VD1亮后才起作用,提前按下无效。
觉得这篇文章有帮助吗?
👍 来顶一下 (
78
)
🔐 用户登录
×
加载中...
加载登录表单中...
🎁
免费注册送10积分
×
加载中...
加载注册表单中...
🔑 找回密码
×
加载中...
加载表单中...
🔐
需要登录
×
🔒
登录后即可使用!
🎁
新用户注册立即送10积分
积分可用于下载资源,免费获取优质技术资料
🚪
退出登录
×
👋
确认要退出登录吗?
退出后需要重新登录才能下载资源