555红外线自动水阀控制器电路图

📅 发布时间:2013-09-20 14:10 👁️ 浏览:2 🏷️ 标签: 555 红外线 水阀 控制器电路图
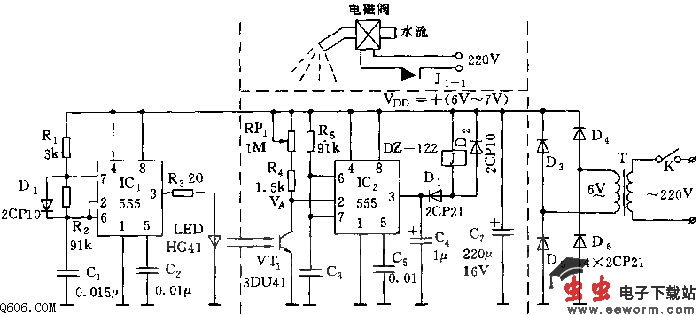
  图中所示,控制器包括红外发射器和红外接收、控制电路。使用光电控制水阀,可节约用水。
  红外发射二极管采用砷化镓发光管HG41管,接收管采用3DU41光敏三极管。IC1(555)和R1、R2、C1等组成无稳态多谐振荡器,振频为f=1.44/(R1+R2)C1,约为2kHz,驱动HG41发出脉冲红外光。光敏三极管在受红外光照情况下,呈低阻,555的2脚因呈低电平而置位,3脚输出高电平,J不动作。当有人洗手时,光束遮断,3DU41的c e 极间呈高阻,2脚电平高于1/3Vdd,555处于待触发状态,但当C3通过R5瞬即充电至2/3Vdd阈值电平时,555复位,3脚呈低电平,J吸合,将J1-1接通,电磁阀得电、放水。洗毕,手离开后,又恢复关水状态。

觉得这篇文章有帮助吗?