⭐ 欢迎来到虫虫下载站!
|
📦 资源下载
📁 资源专辑
ℹ️ 关于我们
⭐ 虫虫下载站
🔐
登录
📝
注册
虫虫下载站
专业电子工程师资源平台
📤 上传资源
🏠 首页
📦 资源下载
📁 资源专辑
🔧 热门软件
⭐ 精品资源
🎓 基础知识
📐 电路图
📚 电子书
🔢 在线计算器
🔍 代码搜索
🏠 首页
›
电路图
›
基础电路
›
555简易调功电路图
555简易调功电路图
📅 发布时间:
2013-09-20 13:30
👁️ 浏览:
4
🏷️ 标签:
555
电路图
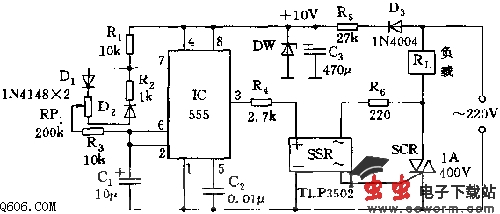
调功电路以555为核心组成,如图所示。555和R1~R3、RP2、D1、D2等组成一个脉冲占空比可调的多谐振荡器,其振荡频率为f=1.44/(R1+RP1+R2+2R3)C1.
图示参数的频率为0.65~6.9Hz。调节RP1,不仅可改变其谐振频率,还可改变其占空比,即改变输出脉冲的高电平持续时间,即t充=0.69(R1+RP1+R3)C1.
图示参数的t充在0.14~1.52秒。在3脚输出高电平时,固态继电器SSR(TLP3502)触发导通、SCR开通,负载Rl得电运行。调节RP1,可改变负载功率。
觉得这篇文章有帮助吗?
👍 来顶一下 (
100
)
🔐 用户登录
×
加载中...
加载登录表单中...
🎁
免费注册送10积分
×
加载中...
加载注册表单中...
🔑 找回密码
×
加载中...
加载表单中...
🔐
需要登录
×
🔒
登录后即可使用!
🎁
新用户注册立即送10积分
积分可用于下载资源,免费获取优质技术资料
🚪
退出登录
×
👋
确认要退出登录吗?
退出后需要重新登录才能下载资源