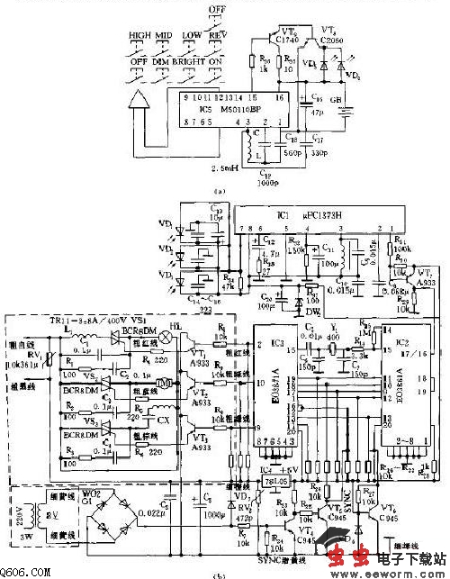
电路原理:遥控发射器电路如图所示,它使用三菱公司的录像机、电视机上专用的30功能红外线遥控发射专用大规模集成电路M50110BP,其内部由键盘输入编码器、指令译码器、振荡器、定时信号发生器、扫描信号发生器、编码调制和输出缓冲器等部分组成。此芯片使用3V低压供电,且振荡器在未按下任何键之前不起振,可以节省用电。本电路有5X6键盘矩阵,共发射30条指令。

电路中VT4、VT5从桥堆整流后取出脉动直流电(未经滤波)经放大后给IC3的12、16脚提供同步信号,凡是双向可控硅都必须由同步信号来控制其开闭,在这里则主要与控制指令一起作用于VT1~VT3,使其准确地控制可控硅VS1~VS3的开闭及导通角,其中VS2更有正半周导通或负半周导通的功能,以控制风扇的正转或反转。执行电路中的压敏电阻及C1~C4、R3~R2等组成阻容吸收回路。
安装与使用:3只双向晶闸管需加装散热片;3只红外接收管应在圆形印板边沿处相隔20度放置;且外部有铁屏蔽罩,以减少干扰。若在3个的输出端接上相应的继电器等元件,便可做出适合自己需要的控制单元。
觉得这篇文章有帮助吗?