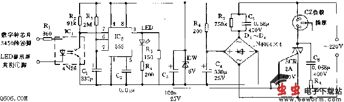
该插座电路由整点信号光电耦合器、单稳态触发定时器、可控硅控制电路和降压供电电路等组成,如图所示。
时间整点信号由LED数字钟的十分位数码管的b段引出。十分位的b段在数字为0~4时,皆为高电平“1”;而当数字为5时,b段的电平为“0”。当数字钟由59分钟向下一个小时的00分钟整点进位时,b段便会出现由“0”→“1”的正跳变信号。利用这一变化特点,从十分位数码管的b段将此正跳变脉冲取出,并经R1限流后加至光电耦合器IC1的发光二极管上,经光/电转换,使IC1内的光敏三极管呈低阻状态,其集电极呈低电位(<1/3Vdd),使IC2触发置位。

在非整点时间,由于引入的信号呈低电平,光电耦合器IC1呈截断状态,IC1内的光敏三极管呈高阻(其暗阻高达500k欧以上),555的2脚呈高电位(Vdd),555处于复位状态。555和R3、C1等组成单稳态触发器,在低电平信号加至2脚时,555便翻转置位,3脚转呈高电平,单稳态触发后的暂稳时间为Td=1.1R3C1.图示参数的高电平维持时间为12分(计算值726秒)。可根据实际需要,通过改变电路的充电时间常数RC来调节暂稳时间的长短。
觉得这篇文章有帮助吗?