⭐ 欢迎来到虫虫下载站!
|
📦 资源下载
📁 资源专辑
ℹ️ 关于我们
⭐ 虫虫下载站
🔐
登录
📝
注册
虫虫下载站
专业电子工程师资源平台
📤 上传资源
🏠 首页
📦 资源下载
📁 资源专辑
🔧 热门软件
⭐ 精品资源
🎓 基础知识
📐 电路图
📚 电子书
🔢 在线计算器
🔍 代码搜索
🏠 首页
›
电路图
›
基础电路
›
单端正激式变换器电原理图
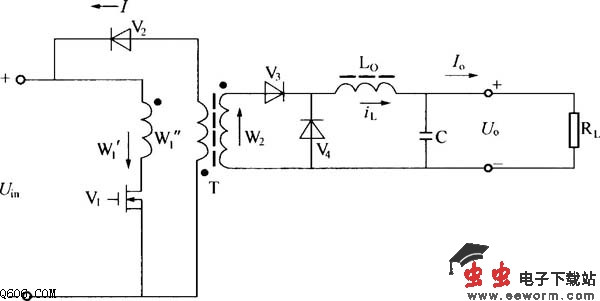
单端正激式变换器电原理图
📅 发布时间:
2013-09-19 23:40
👁️ 浏览:
3
🏷️ 标签:
单端
正激式变换器
原理图
}
如图所示,当开关管V1导通时,输入电压Uin全部加到变换器初级线圈W1'两端,去磁线圈W1''上产生的感应电压使二极管V2截止,而次级线圈W2上感应的电压使V3导通,并将输入电流的能量传送给电感Lo和电容C及负载;与此同时在变压器中建立起磁化电流,当V1截止时,V3截止,Lo上的电压极性反转并通过续流二极管 V4继续向负载供电,变压器中的磁化电流则通过W1''、V2向输入电源Uin释放而去磁;W1''具有钳位作用,其上的电压等于输入电压Uin,在V1再次导通之前,T中的去磁电流必须释放到零,即T中的磁通必须复位,否则,变压器T将发生饱和导至V1损坏。通常W1'=W1'',采用双线并绕耦合方式的占空比<0.5,否则T将饱和。单端正激式变换器波形如下图所示。
觉得这篇文章有帮助吗?
👍 来顶一下 (
62
)
🔐 用户登录
×
加载中...
加载登录表单中...
🎁
免费注册送10积分
×
加载中...
加载注册表单中...
🔑 找回密码
×
加载中...
加载表单中...
🔐
需要登录
×
🔒
登录后即可使用!
🎁
新用户注册立即送10积分
积分可用于下载资源,免费获取优质技术资料
🚪
退出登录
×
👋
确认要退出登录吗?
退出后需要重新登录才能下载资源